凤祥资讯 FOVO NEWS

凤祥新闻

亚新官方网站_亚新集团有限公司官网第一季度环境监测报告信息公示

20190508

       根据环境保护部《企业事业单位环境信息公开办法》及《排污许可证》相关要求,亚新官方网站_亚新集团有限公司官网现将第一季度环境监测报告信息公示如下:

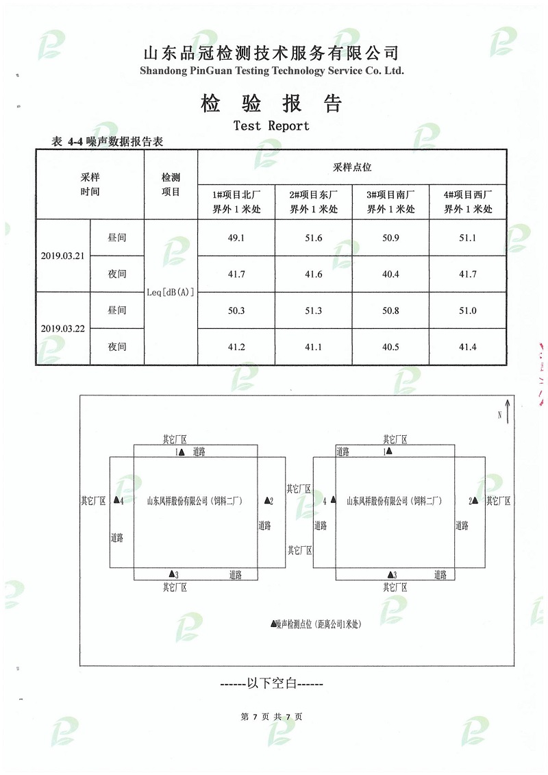
饲料二厂 废气废水噪声检测报告



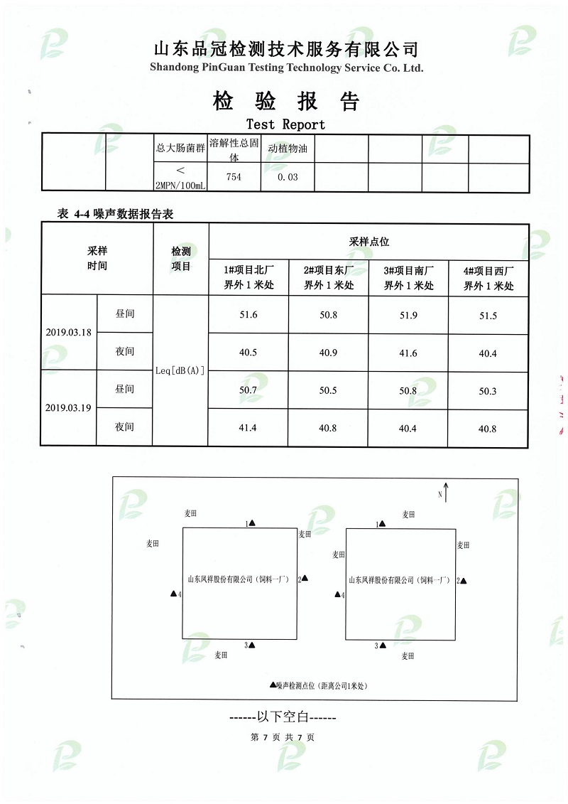
饲料一厂 废气废水噪声检测报告