凤祥资讯 FOVO NEWS

凤祥新闻

阳谷金凤包装 阳谷祥雨有机肥第一季度环境监测信息公示

20190508

         根据环境保护部《企业事业单位环境信息公开办法》及《排污许可证》相关要求,阳谷金凤彩印包装有限公司、阳谷祥雨有机肥有限公司现将第一季度环境监测报告信息公示如下:

金凤包装 VOCs检测报告


金凤包装 废气 地下水 噪声检测报告


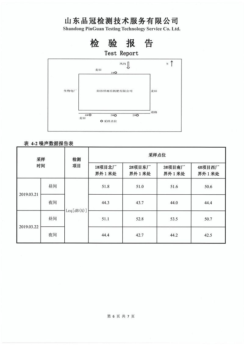
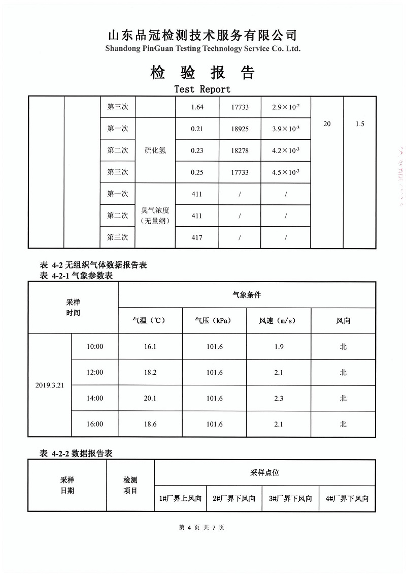
阳谷祥雨有机肥有限公司 废气噪声检测报告