凤祥资讯 FOVO NEWS

凤祥新闻

亚新官方网站_亚新集团有限公司官网第二季度环境监测报告信息公示

20190719

       根据环境保护部《企业事业单位环境信息公开办法》及《排污许可证》相关要求,亚新官方网站_亚新集团有限公司官网现将第二季度环境监测报告信息公示如下:



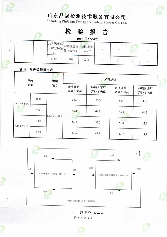
饲料一厂 废气地下水噪声监测报告


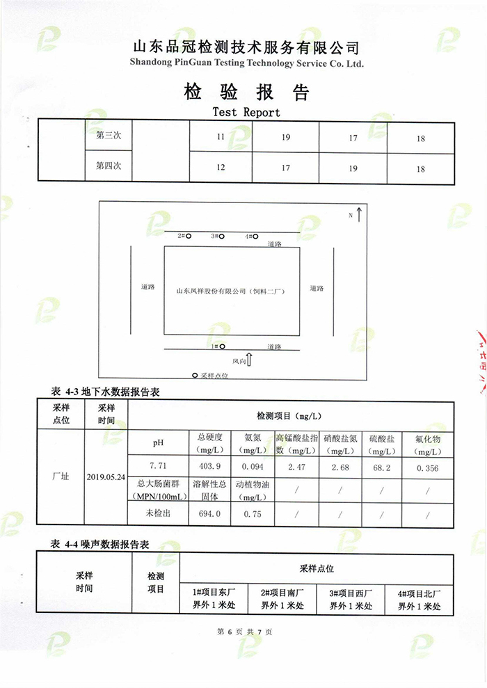
饲料二厂 废气地下水噪声监测报告



孵化厂 废气噪声监测报告