凤祥资讯 FOVO NEWS

凤祥新闻

山东凤祥食品发展有限公司第二季度环境监测报告信息公示

20190719


  根据环境保护部《企业事业单位环境信息公开办法》及《排污许可证》相关要求,山东凤祥食品发展有限公司现将第二季度环境监测报告信息公示如下:


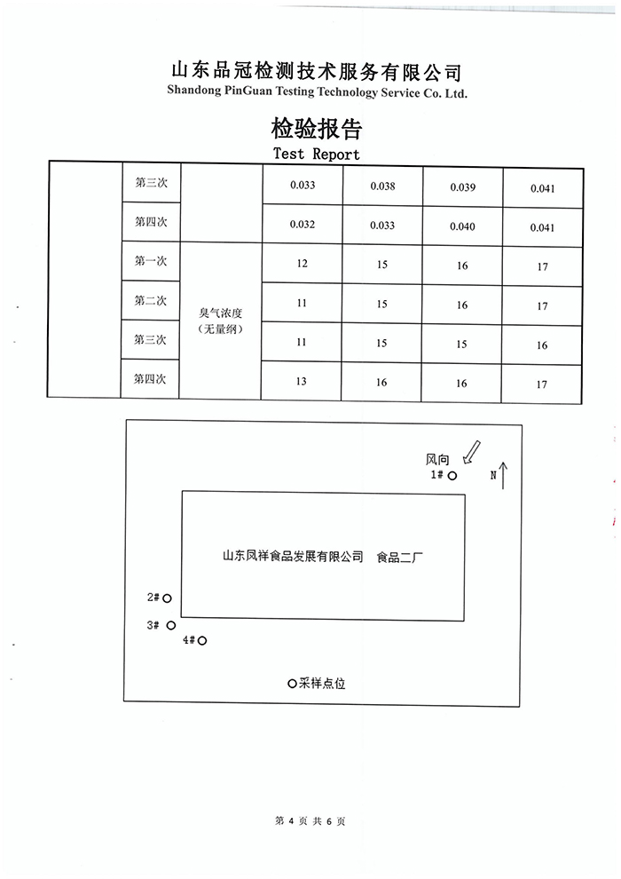
食品二厂 废气监测报告




食品二厂 锅炉废气、地下水、噪声监测报告




食品二厂 锅炉废水监测报告



食品二厂 20吨锅炉第二季度在线比对报告


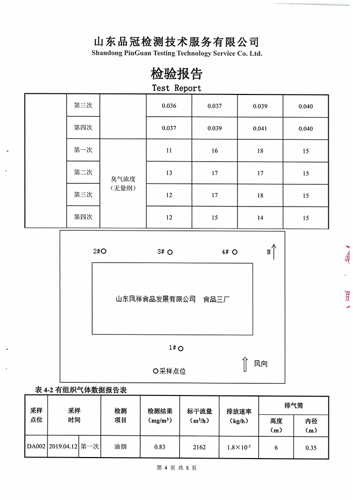
食品三厂 废气监测报告

食品三厂 地下水噪声监测报告



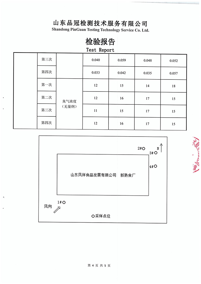
新熟食厂 废气监测报告



新熟食厂 地下水噪声监测报告



新熟食厂 燃气锅炉废气监测报告